FREE SHIPPING ON AMAZON
FREE SHIPPING ON AMAZON
Signed in as:
filler@godaddy.com

Each SodaLock Kit comes with
6' of dip hose & 4-3/4" wood screws.


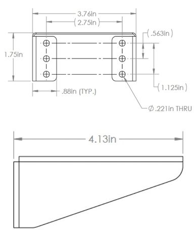
SodaLocks™ new Vertical Mount allows for installation on any vertical surface including drink rail edges.

Material - 18 gauge 304 Stainless Steel
Multiple mounting hole locations to optimize installation choices.

Hardware included - All Stainless Steel
4-#10 x ¾” metal self-tap w/drill points
4- #10 Hex head machine screws
4- #10 nylon hex nuts

Manufactured and Designed in the USA - Patent No. 11,358,853